Home Page                 Main Products Menu                 Parts Diagram Menu Page

352 688 8160 M-F EST

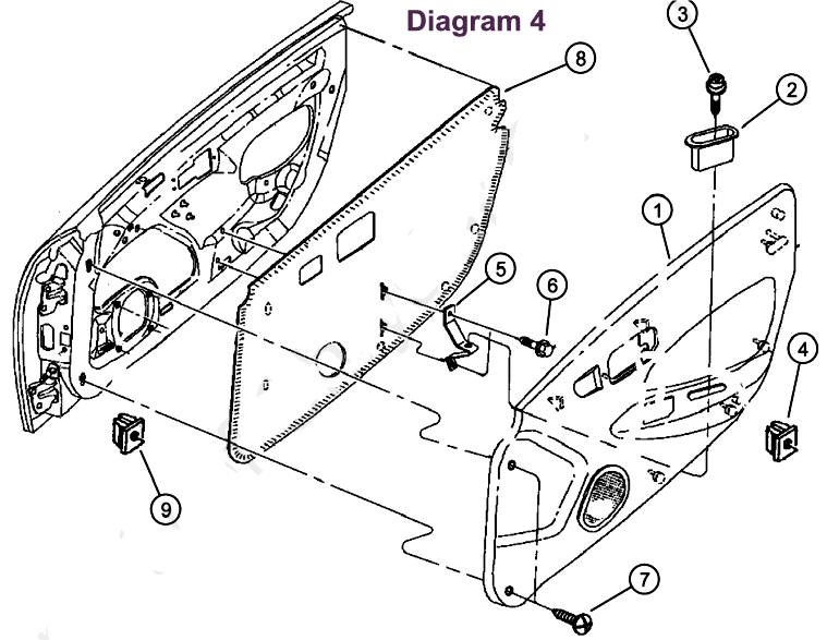
Prowler Door, Hardware, Glass Diagram

Diagram 1

 

Diagram 2

Diagram 3

 

This has opened into a new window