Home Page                 Main Products Menu                 Parts Diagram Menu Page

352 688 8160 M-F EST
 

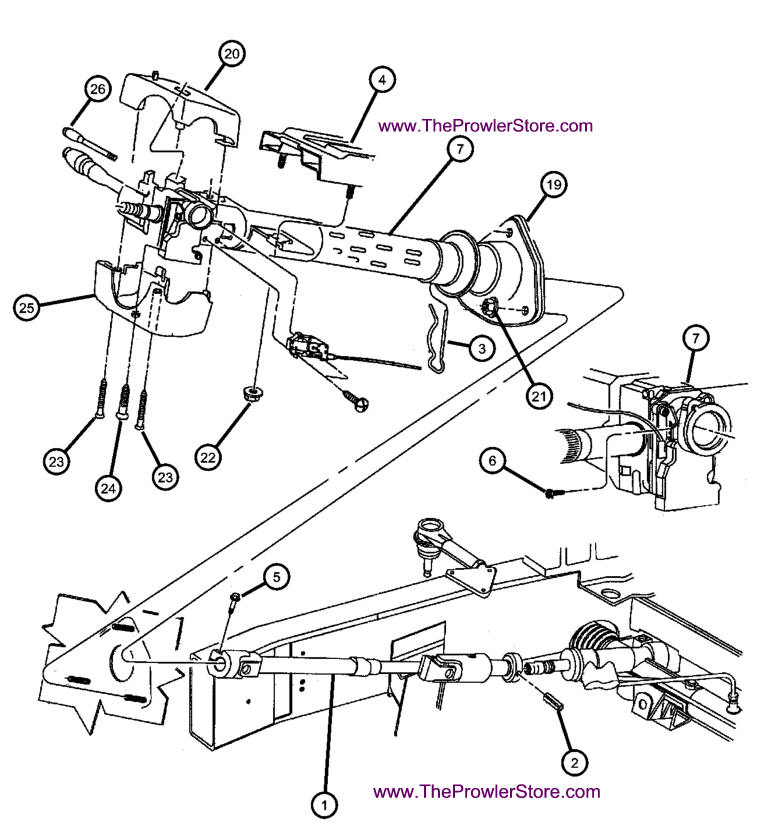
Prowler Steering Column

This has opened into a new window